Milton, MA
Eliot Memorial Bridge
Scope/Solutions
The Eliot Memorial Bridge, a stone arch pedestrian bridge, was constructed circa 1904 in the Blue Hills Reservation. The bridge carries the popular Skyline Trail over a ravine. In certain areas where the mortar had deteriorated, outer face stones had fallen to the ground and left voids in the stone structure. DCR wanted to undertake localized repairs to address these voids and asked SGH to evaluate the historic mortar’s composition and make recommendations for an appropriate repair mortar.
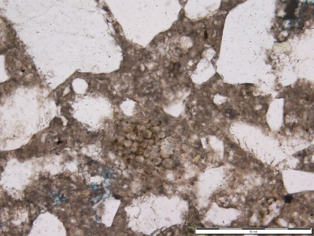
SGH extracted samples of the existing mortar from the core of the wall, where it was the least affected by environmental factors.
We performed an evaluation in our laboratory to identify the specific individual constituents of the existing mortar (e.g., Portland cement, natural cement, lime, sand) and their relative proportions.
Based on our evaluation and understanding of the bridge’s structure, we developed a repair mortar mix that would be both technically compatible with the historic stone masonry and structurally competent. Our mix design considered strength, durability, workability, and the historic composition.
Project Summary
Key team members




